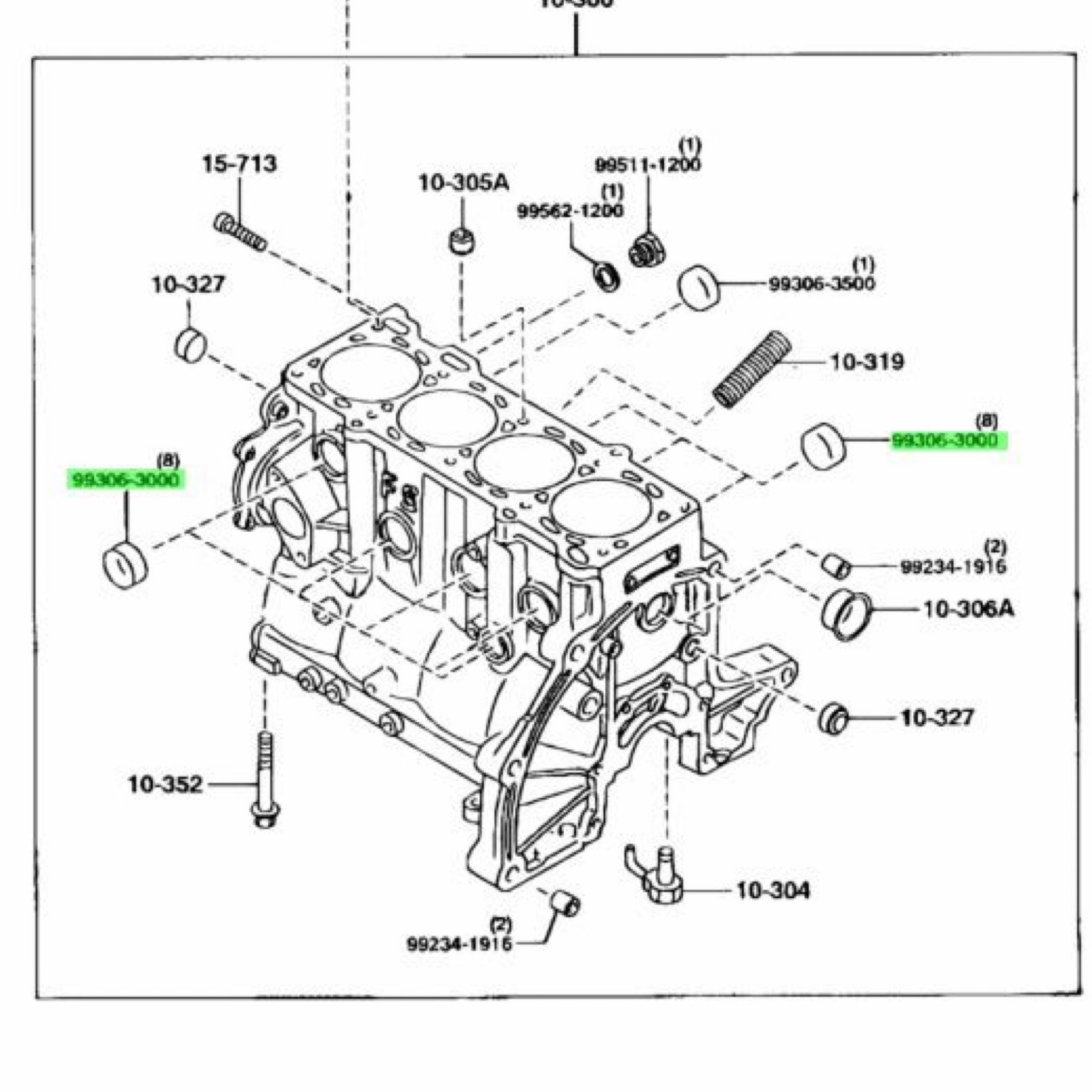
Complete Engines & Engine Parts › Frost Plugs Image 1 of 2 Image 2 of 2 Frost Plugs from $3.70 30mm & 35mm frost plugs - Genuine Mazda for NA & NB Size: Select Size 35mm 30mm Add To Cart Added! 30mm & 35mm frost plugs - Genuine Mazda for NA & NB You may want to see this... Surge Tank Gasket - Intake Middle Rubber Gasket NC $61.02 NB2 VVT Rebuild Kit $68.21 Front Crank Seal, NC, Genuine $44.97 Exclusive Engine Coolant Thermostat Gasket NC $47.61 Exclusive Genuine Mazda Rear Crank Seal - NC $236.73 Exclusive